اولین خودروهای کوچک کمپانی رنو بین سالهای 1898 تا 1903 ساخته شدند. لوئی رنو کارآفرین و صنعتگر فرانسوی، بنیانگذار شرکت رنو نخستین اتومبیلش را با "رنو تیپ A" در سال ۱۸۹۸ ساخت.
به گزارش گروه خودروی عصر ایران ، در آن زمان بر روی اولین محصول ساخته شده رنو یک موتور "د دیون باتم" نصب شد و لاستیکهای کارخانه کانتیننتال در زیر بدنه خودرو قرار گرفتند. لاستیکهایی که هنوز برخی از مدرنترین خودروهای رنو را حرکت میدهند.
خودروی کوچک تایپ A یا 1CV
اولین خودرو کارخانه رنو توسط خالق و سازنده این شرکت در سال 1898 ساخته و در همان سال به دوست پدرش که قصد داشت هر روز طول خیابان "لپیک را طی کند، فروخته شد. 12 نسخه از این خودرو در همان شب به فروش رسید. دلیل اصلی خرید این خودرو توسط مشتریان آشنا، توانایی فوقالعاده خودرو برای بالا رفتن راحت و بیدردسر از خیابان بود. موتور "د دیون باتم" این رنو یک نسخه یک سیلندر با سرعت تقریبی 32 کیلومتر در ساعت بود.
خودروی تیپ B
پس از ساخت اولین خودرو، برادران رنو به فکر تغییر و تحولات ویژه برای ادامه راه خود افتادند. خودروی دوم این کمپانی تازه تاسیس، همان مدل تایپ ای با تغییرات ظاهری محسوب میشود. تغییرات خودرو که شامل یک سقف و دو در میشد، در آن زمان کمی عجیب به نظر میرسید.
لویی رنو، 1903

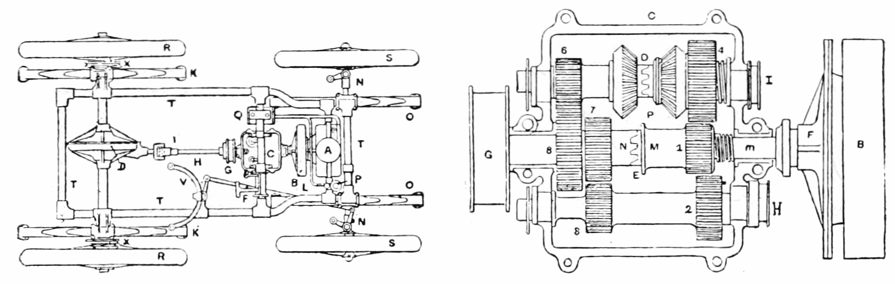
طرح خودروهای اولیه و کوچک رنو، طراحی بدنه و شاسی در کنار دنده متغیر سرعت

خودروی تیپ C
تیپ C اولین خودروی 4 نفره رنو محسوب میشود. پس از چندین اصلاح فیزیکی و مکانیکی، این خودرو در نمایشگاه موندیال پاریس 1900 معرفی شد و برای اولین بار برادران رنو را به عنوان خودروساز مطرح کرد.
تیپ D/E/G
خودروی تیپ D سری B، سال 1901

تیپ D و E بسیار شبیه نسخه C ارائه شدند و شاید از معدود تفاوتهای آنها بتوان به موتور ارتقاء یافته 5CV در مدلهای جدیدتر اشاره کرد. تیپ D دقیقا شبیه C ارائه شد و تنها تفاوت این دو خودرو در سقف متحرک تیپ D عنوان شد.
نسخه E نیز دارای سقف طولانیتری نسبت به مدل B بود و هیچ دری در ساختار آن دیده نمیشد. در مدل G از همان شاسی و بدنه تایپ D و E استفاده شد و رنوییها موتور ارتقاء یافتهتری را برای آن برگزیدند. اما بسیاری از کارشناسان تیپ E را به عنوان رسمیترین و شناخته شدهترین خودروی این برند می شناسند. خودرویی که به اذعان بسیاری از علاقهمندان دنیای خودرو بلوغ خودروسازی رنو را نشان میدهد.