۲۲ آبان ۱۴۰۴
به روز شده در: ۲۲ آبان ۱۴۰۴ - ۲۰:۲۵
فیلم بیشتر »»
کد خبر ۳۳۹۹۴۶
تعداد نظرات: ۵ نظر
تاریخ انتشار: ۲۱:۱۲ - ۱۹-۰۳-۱۳۹۳
کد ۳۳۹۹۴۶
انتشار: ۲۱:۱۲ - ۱۹-۰۳-۱۳۹۳

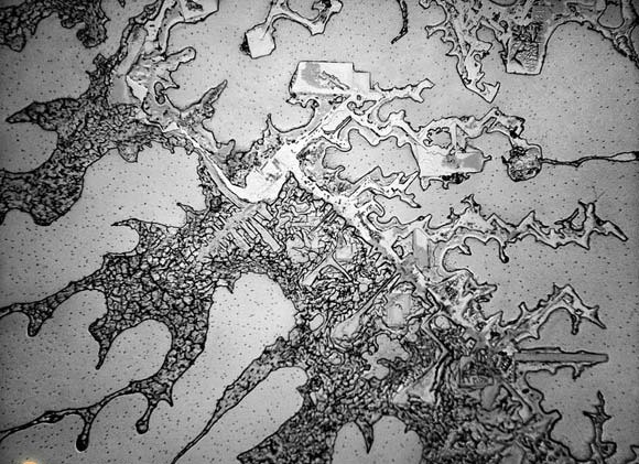
اشک انسان زیر میکروسکوپ (عکس)

روزلین فیشر، عکاس معروفی است که تصمیم به عکسبرداری از قطرات اشک خود در صبح یک روز کاری گرفته و آن را با قرار دادن در زیر میکروسکوپ با بزرگنمایی 40 برابر مطالعه و تصویربرداری کرده است.

اشک انسان زیر میکروسکوپ (عکس)
برچسب ها: اشک ، میکروسکوپ
ارسال به دوستان
انتشار یافته: ۵
در انتظار بررسی: ۱۱
غیر قابل انتشار: ۰
ناشناس
Germany
۲۱:۳۰ - ۱۳۹۳/۰۳/۱۹
4
66
اشک غم است یا اشک شوق ؟/
ناشناس
Iran (Islamic Republic of)
۲۱:۳۲ - ۱۳۹۳/۰۳/۱۹
4
27
شبیه عکسای هوایی از رودخونه هاست......
ناشناس
Iran (Islamic Republic of)
۲۱:۴۷ - ۱۳۹۳/۰۳/۱۹
9
12
شکل ظاهری اشک زیر میکروسکوپ بستگی به علت و شدت گریه هم دارد
ناشناس
Iran (Islamic Republic of)
۲۱:۵۳ - ۱۳۹۳/۰۳/۱۹
2
19
اشک دل شکسته
ناشناس
Iran (Islamic Republic of)
۲۱:۵۶ - ۱۳۹۳/۰۳/۱۹
3
21
بزرگنمایی 400 نه 40.
ورود کد امنیتی
captcha
معاون سپاه ثارالله: گاهی خبرنگار ایرانی ناخواسته در زمین دشمن بازی می‌کند/ دشمن، جنگ را از میدان نظامی به میدان روانی و شناختی کشانده قهرمانی تیم پینگ‌پنگ زنان ایران در بازی‌های کشورهای اسلامی سه شنبه اعدامم می‌کنند؛ آخرین تماس پسر مصری از زندان عربستان! ۲۲ هزار ماینر کشف شده برق ۲۲۰ هزار خانوار را می‌بلعید رئیس‌جمهور کلمبیا: ترامپ بربر می‌خواهد ما را بترساند ولایتی: آینده‌ای روشن در انتظار ایران و عراق است آمریکا: رویدادهای کرانه باختری می‌تواند آتش‌بس غزه را تضعیف کند درخواست آیت‌الله جوادی آملی از عموم مردم برای خواندن نماز باران فلاحت پیشه: نمی تواند! در هیچ دولتی به اندازه این دولت تکرار نشده است/ اعتماد به نفس پزشکیان را گرفته‌اند شهادت ۲۶۰ نفر در غزه از زمان آتش‌بس  چای سرد‌؛ از طنز تا تراژدی/ دربارۀ فیلمی رها شده از حبس و سانسور  ناترازی انرژی؛ سازمان جدید زیر نظر رئیس‌جمهور راه‌اندازی شد ترکیب تیم ملی فوتبال ایران برابر کیپ‌ورد کشف ۱۴۰ ماینر توسط اطلاعات سپاه در کرمانشاه دومین جلسه شورا برای انتخاب شهردار اهواز به نتیجه نرسید